European rails and others
AULASA offers a wide production of light rails from 7 to 50 kg/m according to the standards: DIN 5901; EN 13674-4; DIN 536; AFNOR, British Standard, UIC 860, AS 1085-1.
The rails are available in different standard lengths such as 6, 8, 9, 10 and 12m. Other lengths till 18m could be supplied.
__ ____European rails
______African rails
Table Features
Characteristics of Light Rail Europe for the profiles:
PROFILE |
WEIGHT | HEIGHT H | BASE F | HEAD K | ALMA S |
|---|---|---|---|---|---|
| kg/m | mm | mm | mm | mm | |
| A45 | 22,1 | 55 | 125 | 45 | 24 |
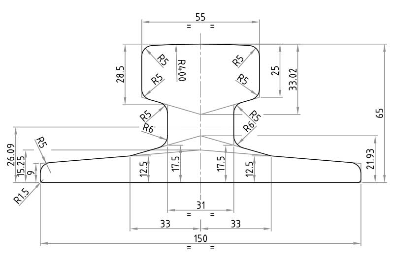
| A55 | 31,8 | 65 | 150 | 55 | 31 |
| A65 | 43,1 | 75 | 200 | 65 | 38 |
| CA50 | 26,15 | 50 | 110 | 65 | 50 |
| AFNOR26 | 26,27 | 110 | 100 | 50 | 10 |
| AFNOR30 | 30,15 | 125,5 | 106 | 58,6 | 11 |
| AFNOR36-36E2 | 36,59 | 128 | 115 | 58,27 | 13 |
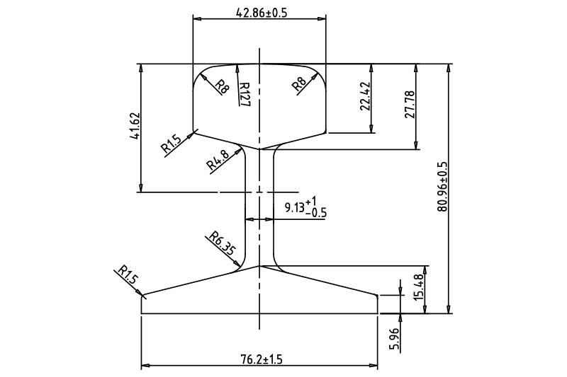
| BS35M | 17,4 | 80,96 | 76,2 | 42,86 | 9,13 |
| BS35R | 17,4 | 85,7 | 82,6 | 44,4 | 8,3 |
| BS50O | 24,83 | 100,01 | 100,01 | 52,39 | 10,32 |
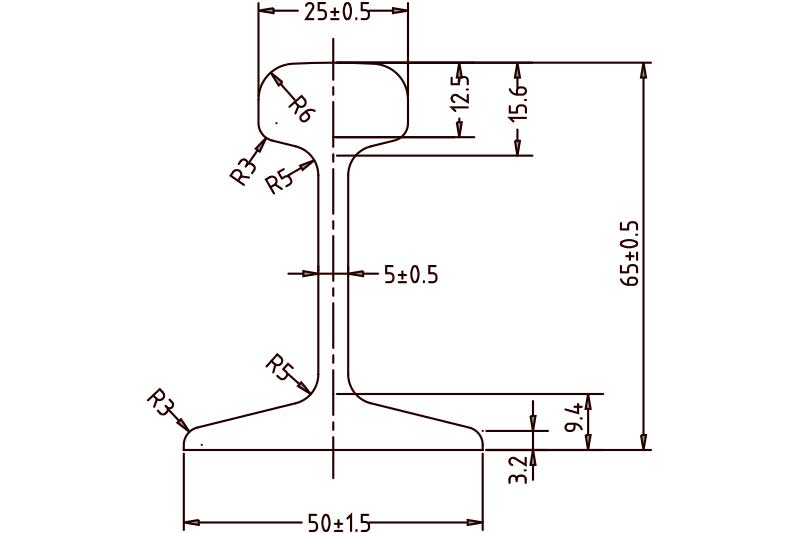
| S7 | 6,75 | 65 | 50 | 25 | 5 |
| S10 | 10 | 70 | 58 | 32 | 6 |
| S14 | 14 | 80 | 70 | 38 | 9 |
| S18 | 18,3 | 93 | 82 | 43 | 10 |
| S20 | 19,84 | 100 | 82 | 44 | 10 |
| S24 | 24,43 | 115 | 90 | 53 | 10 |
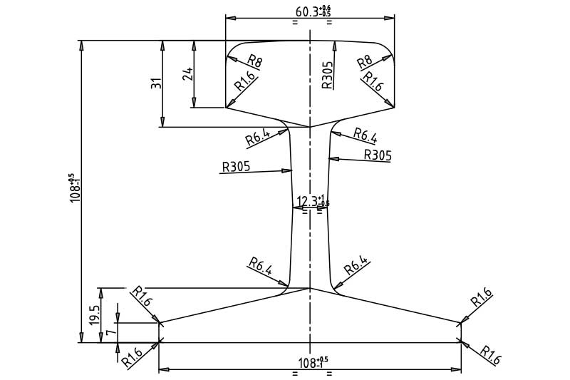
| S30-30E1 | 30 | 108 | 108 | 60,3 | 12,3 |
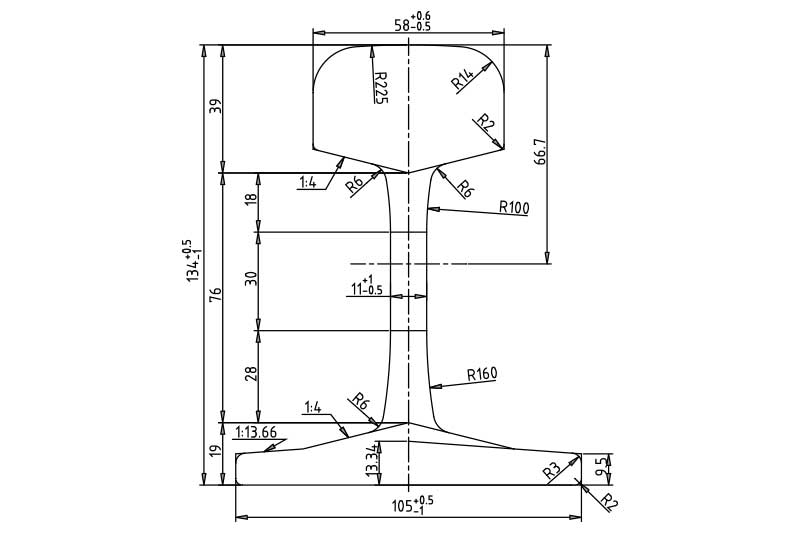
| S33-33E1 | 33,47 | 134 | 105 | 58 | 11 |
| S41-41E1 | 41,24 | 138 | 125 | 67 | 12 |
| BCK40 | 40 | 130 | 120 | 63,66 | 13 |
| SAR48 | 48,07 | 150 | 127 | 68 | 14 |
| ZAMBIA91 | 45,15 | 150,81 | 127 | 67,47 | 13,98 |
| AS41 | 40,8 | 136,5 | 125 | 63,5 | 13,1 |
| AS47 | 46,37 | 141,3 | 127 | 70 | 14,3 |
| AS50 | 50,6 | 154 | 127 | 71,59 | 15 |
Standards
Standards of Light Rail for the European Profiles:
PROFILE |
STEEL GRADE | |
|---|---|---|
| STANDARD | AULASA QUALITY | |
| A45 | R-700 | R-800 |
| A55-A65 | R-700 | R-800/R-900 |
| CA50 | * | R-900 |
| AFNOR26 | R-700 | R-800 |
| AFNOR30, AFNOR36 | R-700 | R-900 |
| BS35M, BS35R, BS50O | R-700 | R-800 |
| S7, S10 | R-550 | R-550 |
| S14 | R-550 | R-700/R-800 |
| S18, S20 | R-550 | R-800 |
| S24, S30, S33 | R-700 | R-800/R-900 |
| S41 | R-700 | R-900 |
| BCK40, SAR48, Z91 | R-900 | R-900 |
| AS41 | R-800B | R-800B |
| AS47, AS50 | R-900B | R-900B |
Drilling
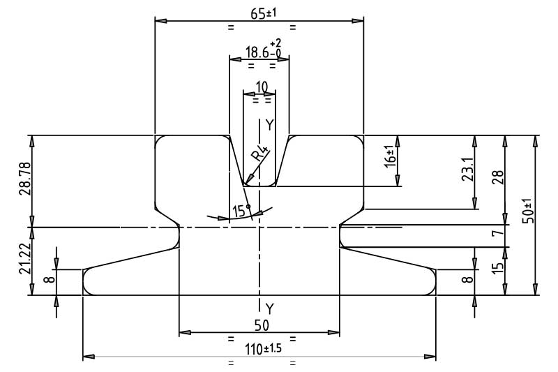
Table lengths, drills and plans:
PROFILE |
DISTANCES (mm) | DIAMETER HOLE (mm) | HEIGHT | |
|---|---|---|---|---|
| W1 | V | d | Z | |
| AFNOR26 | 66 | 140 | 23 | 46,5 |
| AFNOR30 | 47,5 | 110 | 26 | 54,1 |
| AFNOR36 | 58,5 | 160 | 23 | 56 |
| BS35M | 41,27 | 88,9 | 19 | 34,13 |
| BS35R | 41,3 | 88,9 | 22 | 35,3 |
| BS50O | 47,6 | 100,6 | 24 | 41,5 |
| S7 | 33 | 70 | 14 | 29,4 |
| S10 | 35 | 75 | 16 | 30 |
| S14 | 35 | 90 | 16 | 35,8 |
| S18 | 35 | 90 | 20 | 41,4 |
| S20 | 35 | 90 | 20 | 44,6 |
| S24 | 61 | 120 | 30 | 50,5 |
| S30 30E1 | 63,5 | 127 | 25 | 48,25 |
| S33-33E1 | 61 | 120 | 30 | 57 |
| S41-41E1 | 46 | 165 | 30 | 59,5 |
| AS41 | 62 | 127 | 30 | 60,3 |
| AS47 | 62 | 127 | 30 | 61,9 |
| AS50 | 88 | 130 | 32 | 67 |